ヒートプローブ(1,2)
ヒートプローブ(1,2)
ヒートプローブの製作(1)
熱電対によるプローブ温度測定タイプ
長さ50mm、直径1㎜のヒートプローブ(熱電対による温度測定タイプ)の場合について説明します。これはヒートプローブの中央部で温度測定をする熱電対タイプです。
ヒートプローブにはこのタイプの他、ヒートプローブ全体で温度を測定する電気抵抗タイプも製作できます。これは別項で説明します。
ずいぶん(たぶん20年以上?)前に作ったので、思い出しながら書きました。
落ち着いて、あわてずに作ることがコツと言えばコツです。
各工程ででき具合をチェックしながら進めます。テスターで確かめます。(接続しているか、断線していないか、絶縁は大丈夫か)
半分はダメになると考え、多目に材料を用意します。
作業は素早く、かつ慎重に行います。私は、大事な部分は人がいなくなった夜間に行いました。
1日平均でセンサー1本作る気持ちで取り組んでください。10日間で10本できればOKです。1日1本作るのではなく、10日間をかけて10本作ると言う意味です。

ヒートプローブ(熱電対タイプ)の結線図
用意する材料
・ステンレスパイプ 外径1.0㎜、内径0.6㎜ 硬いもの
・熱電対線(銅線、コンスタンタン線) 0.1㎜、エナメル被覆
・アクリル棒(ステンレス・パイプの支持に使う。センサー1本あたり長さ12mm程度が必要。
直径はアクリル・パイプの内径と同じ。8㎜程度)
・アクリルパイプ(アクリル棒の外径がこのパイプの内径と同じもの。長さはセンサー1本あ
たり70mm程度。外径10mm、内径8mm程度)
・ハンダ
・コレクター (ペンテル修正液 油性・水性インキ両用)、熱電対の接点の絶縁用。いろいろ
試したが、これがベスト。
・2液混合接着剤 2種類
1つは粘性の低いもの(コニシボンド E205など)
もう一つは粘性の高いもの(セメダイン ハイスーパーなど)。
・瞬間接着剤(アロンアルファ)
・透明ビニールチューブ (接着剤をステンレス・パイプに充填するため)
・銅線0.5㎜φ、長さ1m程度
・熱縮チューブ
用意する道具
・ペンチ
・目立てやすり(小さいもの)
・小型旋盤
バイト 突っ切りバイト
ドリル歯 φ0.7㎜、1.0㎜
・ピンバイス ハンドドリルの一種。
・注射器(針つき、5ml程度でよい)1本、このほか、シリンジのみ2本(エポキシ樹脂調合用)
・ハンダコテ(10W程度 出力の小さなもの)
・テスター
部品を製作する工程
●以下の工程1~5までは、センサーの部品を製作する工程なので、どれから始めてもよい。時間の都合をみて行う。
工程1 ステンレスパイプの切断
仕上がり長さ57㎜とすると両端をそれぞれ2㎜程度余分にとり、61㎜の長さにペンチで切断する。
切断するとパイプがつぶれるので、両端を目立てヤスリで切断面のパイプが円形になるまで削る。仕上がりを57㎜にする。
やすりの角を利用して、パイプの内側および外側のバリを取る。
できあがったパイプを洗剤でよく洗い、油分を取り、乾燥機で乾燥する。
乾燥の後は、パイプに手垢が付かないように注意する。
工程2 小型旋盤でアクリル棒に穴を開けてから切断する
最初に0.7㎜のドリルで約12㎜の深さに穴をあける。
次に1.0㎜のドリルに付け替え、0.7㎜の穴を再び7㎜の深さまであける。
次にバイトを使って10㎜の位置でアクリル棒を切り落とす。
こうすることにより、1㎜径のステンレスパイプは7㎜の位置まで差し込むことができ、
センサーを強く差し込んだときに、ステンレスパイプがアクリル棒から抜けることがなくなる。
なお、旋盤でできた部品は、両端をやすりで平らにし角を取る。その後、ピンバイスを使って丁寧に穴をきれいにしておく。
また、このアクリル棒はアクリルパイプに挿入するため、挿入する前に入るかどうか確かめておく。径が合っていても入らない場合(ときどき起こる)、棒の外側を紙やすりなどで少し細くしておく。旋盤でアクリル棒を廻しながら400番程度の紙やすりを使って直径を小さくするのも良い。ただし、ケガしないよう十分注意する。

工程3 旋盤でアクリルパイプを切断する
バイトを使って、パイプを5㎝の長さに切る。
工程4 熱電対の製作
コンスタンタン線 55㎜ (接点(ハンダ)部分5㎜+ステンレスパイプの中30㎜+パイプの外20㎜
の合計)
銅線 60㎜ (接点(ハンダ)部分5㎜+ステンレスパイプの中30㎜+パイプの外25㎜
の合計)
の長さにカッターナイフなどで正確に切り取る。
パイプの外の長さに差をつけるのは、お互いが接触しショートさせないためである。
切り取った各線の両端を5㎜づつカッターナイフでエナメルをはぎ取る。このとき、カッターナイフの刃を立てると線が切れやすくなるので、刃は斜めになぞるようにする。(蛇足だが、カッターナイフは切れのいい新しいものを使う)
銅とコンスタンタン線をより合わせ接点をつくる。その後、真っ直ぐになるように、脂分のついていない指先でしごく。
よった部分を10W程度のハンダゴテを使ってハンダをさっと乗せる。(厚くハンダを乗せるとパイプの中を通らない。ハンダが付きすぎたら、こてで温めて余分のハンダをふるい落とす。)
ハンダを乗せた部分をコレクターで絶縁する。(コレクターはよく振って使う)何度も塗って厚くしない。厚く塗るとパイプの中が通らない。
ヒータ線は0.1㎜のエナメル被覆コンスタンタン線を用いる。
長さ:55x 2+10+15=135mm
ステンレスパイプの中はパイプの長さより2㎜短くする。
10+15mmはステンレスパイプの外に出るリード部分。
両端のエナメル部分を5㎜づつ剥ぐ。
両端に5㎜の差をつけて折り返す(2重線にする)。折り返した部分が大きく膨らまないよう、指で丁寧にしごく。(折り返し部分が膨らむと、ステンレスパイプに入らない。また、ステンレスパイプのエッジでエナメルがはぎ取られ、ステンレスパイプとショートする。これは、テスターを用いて抵抗でチェックできる。)
工程5 センサーケーブルの用意など
1.熱電対の冷接点の製作
電線の径が0.3㎜の2重被覆の熱電対線の外側の茶色のビニール被覆のみを剥ぐと、赤白のビニール被覆線が現れる。これを冷接点に用いる。赤いビニール被覆した方が銅、白いビニール被覆した方がコンスタンタン。長さは50㎝程度に切り(長さは測定条件に合わせる)、両端のビニール被覆を約5㎜程度取り除く。(指先にビニール被覆線を乗せ、カッターナイフの刃で切るとやりやすい。こうすることで指先をカッターナイフで切ったことは一度もない。)
2本の線の撚り合わせ、ハンダ付けをする。ハンダ付した部分を180°折り曲げビニール被覆した部分に押し付ける。ここにエポキシ樹脂(5~15分で硬化するもの)を塗り、固めれば絶縁した接点ができる。
2.センサーの電源とセンサー信号線
これは、4本のビニール被覆銅線(より線)をシールドした線を用いるとよい。
長さは測定条件に合わせる。ちなみに私は2mほどにした。
両端の最外層のビニールを30㎝程度剥ぎ取りシールド網も切り取る。片側のそれぞれの線にターミナルを付けハンダ付けする。反対側はセンサーに接続する。
色は4色あるので、どれをヒータ電源用(2本)とセンサー用(2本)にするか決めておく。
センサー側の4本の線は同じ長さにしないで、5mmづつ長さを変える。
センサーを組み立てる工程
工程6 ステンレスの中にエポキシ樹脂を充てんする
この工程は、センサー製作過程で最も気を使う部分である。
要は,センサー線の出ている側をエポキシ液に漬け,センサー線の出ていない側から吸引してステンパイプの中をエポキシ樹脂で充てんし固定する作業である。
熱電対とヒータ線とがステンレスパイプのなかで所定の位置に納まるよう、ステンレスパイプの出口にあたる位置で、熱電対とヒータ線とをピンセットなどを用いて90°に折り返しておく。ピンセットのエッジでエナメル部分を傷つけないよう、ピンセットの先端部分を薄いビニールチューブでカバーしておくとよい。
ヒータと熱電対の折り返し部分を合わせ、慎重に、スムーズにヒータ線と熱電対線とをステンレスパイプの中に入れる。
ステンレスパイプの先端(ヒータ線や熱電対線の出口とは反対側の)に内径1㎜のビニールチューブを差し込み、その上からエナメル銅線(0.5㎜φ)でキツくまく。これは、エポキシ樹脂を充てんするとき、ステンレスパイプとビニールチューブの間から空気が入り込まないためである。
ビニールチューブのもう一方の端は、しっかり折り返してピンチコックなどで閉じる(エナメル線をきっちり巻いてもよい)。これは、ビニールチューブを密封するためである。
ビニールチューブの中に減圧するため注射器の針を差し込む。(シリンジはゼロの位置にしておく)
エポキシ樹脂は、粘性の低いものを使う。アルミホイルで皿を作りその中に両液をに入れ、十分撹拌する。少し多めに作る。中に空気が入っていない状態にする。量は1:1ではない(1:4)。各液を注射器のシリンジなどで正確にいれるとよい(もちろん、2本のシリンジを使う)
十分撹拌できたら(樹脂のなかに気泡がない状態で)、熱電対線とヒータ線の折り返した部分(ステンレスパイプの先端)を線(とくにエナメルを剥した部分)に接着剤が濡れないようにして漬ける。
注射器のピストン(押子・プランジャ)をゆっくりと引き上げ減圧して、エポキシ樹脂を吸い込ませる。このとき急激に樹脂を吸い込んでステンレスパイプの中に空気が残らないよう、ゆっくりと行う。
ステンレスパイプにはめたビニールチューブのなかに、エポキシ樹脂がある程度(数センチほど)出てきたら、チューブから針を抜き、ついでエポキシ液からも出す。ステンレスパイプの中に空気が入らないようにして静かにそのまま固化するまで数時間水平に放置する。なお、ビニールチューブは固化するまでそのままにしておく。
工程7 アクリル棒(穴あき済)をステンレスパイプに接着する
アクリル棒(穴あき済み)をステンレスパイプに差し込む。線はまっすぐにし、パイプに充填した樹脂が付着していないことを確認する。(付着していたら、カッターナイフの刃で完全に削り落とす)。
アクリル棒には7㎜の部分までステンレスパイプを(リード線を先にして)きっちりと差し込む。
アクリル棒とステンレスパイプの隙間に、アロンアロファを少量流し込み接着する。
工程8 センサーの導線を接続する
ハンダ付けする前に、センサーケーブル側の必要な部分に短く切った熱縮チューブを差し込んで置く(ハンダごてが触れない位置に離しておくこと)。
熱電対線、ヒータ線の結線を間違えないように、ハンダ付けしていく。
必要に応じて、テープで動かないように固定したり、小さな固定道具を使うなどして、素早く、確実に接続する。
接続し終わったら、熱縮チューブを接続部分にはめてハンダゴテの先で封をしておく(片方だけでよい)。
工程9 アクリルパイプの装着
アクリルパイプをステンレスパイプの方から差し込み、アクリル棒の部分がアクリルパイプと重なるまで入れる。このとき、結線部分は全てアクリルパイプの中に納まるようにする。無理やり入れると、線が切れる場合があるのでゆっくりと慎重に行う。
完全にセットできたら、アクリルパイプとアクリル棒との間に、アロンアルファを流し込んで固定する。
固定が終わったら、次に、粘性の高いエポキシ樹脂をアクリルパイプの中に数ミリ(入り口部分だけ)流し込み、センサーの導線部分を固定する。
工程10 センサーのステンレスパイプの先端処理
ステンレスパイプの先端部分2㎜はヒーター線が無いので先端をペンチでかしめる。
その後、目立てやすりで成形して針状にする。
以上で製作は終了です。
ヒートプローブの製作(2)
金属抵抗線によるプローブ温度測定タイプ
製作の基本は前述の「熱電対によるプローブ温度測定タイプ」と同じです。違うのは熱電対の代わりに金属抵抗線を使うことです。
金属抵抗線で温度を測定する方法は、「温度」の項で説明したので、ここでは省略します。
詳細は「電気計測の基礎(1)」の「すべてを直流電圧に変換する」の項および「測る_実測編」の「温度」の項を参照してください。
金属抵抗と温度の関係は温度変化の狭い範囲では線形とみなせます。そのため、場所によって温度が異なる場合、金属抵抗線の抵抗は線全体の平均値を示します。
長いセンサーを使う場合(0.1~10m)、場所によって温度が異なる場合、多くの熱電対を設置することは細いプローブを使う場合に構造上できません。そこで、熱電対の代わりに金属抵抗線を使います。
金属抵抗線で温度差を測定するには、ブリッジ回路を利用します。

結線図(この項最後の図)の点線内の左右の金属抵抗線(RB,Rx)はセンサーが0.1~1mのものなら、100㎝で100Ω(20℃)程度の金属抵抗線を使います。
金属抵抗は、ブリッジの左右で(同じ温度なら)同じ値になるよう、線の長さを同じにします。ニッケル線を被覆したものが便利です。
部品を製作する工程
以下には熱電対線を使う5㎝プローブと異なる点だけを記載する。
工程1 金属抵抗線の切断
ここでは、Ni線を用いる(特注品、線径20μ程度)。
プラスティックで被覆したNi線をプローブの長さの2倍(先端2㎜を除く)に、導線に接続するまでの部分を加えて切断する。
これを1本のプローブについて2本用いる。1本はプローブの中に、もう1本は温度の基準に用いる。
金属線の両端をそれぞれ5㎜づつ被覆を剥す。線が細く、極めて切れやすいので慎重に行う。
工程2 ヒータ線の切断
ヒータ線は0.1㎜φのエナメル被覆のコンスタンタン線を用いる。
長さは5㎝のヒートパイプと同様に、先端2㎜を除き、パイプ全体にヒータ線を配置する。
これ以外は、ほとんど前述の方法と同じである。
工程3 基準抵抗線の製作
温度の基準となる部分は、細い金属パイプ(たとえば、直径数㎜長さ数cmに熱縮チューブを通し加熱してパイプに硬く密着させ絶縁したもの)に重ならないようにしてきっちり巻きつける。巻き終ったら、アロンアルファで固定する。両端をビニール被覆した0.3㎜の導線(銅)にハンダ付けする。
抵抗線は細く切れやすいので、ハンダ付けした部分を巻き線の端にアロンアルファなどで接着しておく。
最後に、全体を熱縮チューブを被せ固定する。
導線の両端が所定の抵抗値があること、金属パイプと導通が無いことを確かめる。
センサーを組み立てる工程
工程4 金属測温抵抗線とヒータ線をステンレスパイプに通す
まず最初に、細い釣り糸(0.1~0.2㎜φ、アユの友釣り用)をパイプの中を2重にして通す。
細い釣り糸は長いパイプの中を貫通できないので、最初に太い釣り糸や、金属線を使って通し、次にこの線にアロンアルファで接着し2重にした細い線(つり糸)をパイプに通す。
折り曲げた金属測温抵抗線とヒータ線とをこの細い線に掛け、ゆっくり、力をいれずに引いてパイプを通す。(強く引くと、被覆部分を剥す)なお、折り曲げる前に、それぞれの金属線の端を5㎜づつ互い違いになるようにしておく。導線にハンダ付けしたあと、ショートしないようにするためである。
線が反対側から出たら、釣り糸を外し、通した金属線を先端より2mmだけ内側に戻す。入れた側には4本の線が出ているがこれをステンレスパイプの端に沿って90°折り曲げる。
あとは5㎝センサーの記述どおり、樹脂を充てんする。
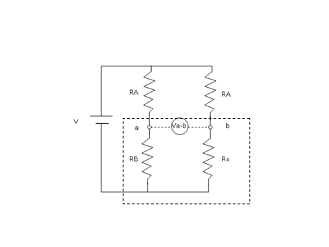
工程5 測温抵抗線の結線
結線は図のように行う。

具体的には、熱電対式と異なり、5芯のセンサーケーブルを使う。
2本はヒータ線用、3本は測温用である。
図の点線部分がセンサーの範囲である。RBが基準温度、Rxがヒートプローブ内の温度測定用金属抵抗線に相当する。a-b間の電圧を測ることにより温度差が計測できる。なお、金属抵抗線を用いる方法は熱電対の場合に比べて増幅率が大きいためプリアンプが不要である。